Unlock the Mysteries: 5 Vital Steps to Mastering Your Chevy K5 Blazer Wiring Diagram

Discover the essential guide to decoding your Chevy K5 Blazer wiring diagram. Learn the crucial steps to unraveling its complexities and optimizing your vehicle's electrical system.

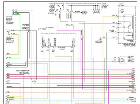
Chevy K5 Blazer wiring diagrams serve as the intricate blueprints guiding the electrical system of these iconic vehicles. Within the labyrinth of wires lies the foundation of functionality, connecting vital components to ensure smooth operation. In this article, we delve into the essential aspects of understanding and interpreting these diagrams, unlocking the mysteries of electrical circuitry in the Chevy K5 Blazer.Transitioning from the complexities of the physical world to the structured diagrams on paper, we embark on a journey of comprehension. With a focus on clarity and precision, we unravel the intricacies of each wire's purpose and pathway. Join us as we navigate through the schematic representations, shedding light on the critical connections that power the Chevy K5 Blazer.

Unlock the Mysteries: 5 Vital Steps to Mastering Your Chevy K5 Blazer Wiring Diagram

Top 10 Points about Chevy k5 blazer wiring diagram :

  • Understanding the Basics of Chevy K5 Blazer Wiring Diagrams
  • Identifying Key Components in the Wiring Diagram
  • Deciphering Color Codes and Symbols
  • Tracing Circuits for Lights, Ignition, and Accessories
  • Locating Fuses and Relays in the Diagram
  • Troubleshooting Common Electrical Issues Using the Diagram
  • Interpreting Wiring Diagrams for Modifications or Upgrades
  • Ensuring Proper Grounding and Wiring Connections

Several facts about Chevy k5 blazer wiring diagram

Understanding the Basics of Chevy K5 Blazer Wiring Diagrams

Understanding the Basics of Chevy K5 Blazer Wiring Diagrams

Wiring diagrams are visual representations of electrical systems, crucial for understanding the intricate network of wires in vehicles like the Chevy K5 Blazer. These diagrams provide a roadmap of the electrical connections, aiding in diagnosis, repair, and modification.

Identifying Key Components in the Wiring Diagram

Identifying Key Components in the Wiring Diagram

Key components highlighted in chevy k5 blazer wiring diagrams include the battery, alternator, ignition switch, lights, and accessories. Each component plays a crucial role in the vehicle's electrical system and is represented with specific symbols and labels.

Deciphering Color Codes and Symbols

Deciphering Color Codes and Symbols

Color codes and symbols in the wiring diagram denote different types of wires, connections, and electrical components. Understanding these codes is essential for accurate interpretation and troubleshooting.

Tracing Circuits for Lights, Ignition, and Accessories

Tracing Circuits for Lights, Ignition, and Accessories

The wiring diagram delineates circuits for lights, ignition, and accessories, providing a comprehensive overview of how power flows through the vehicle's electrical system.

Locating Fuses and Relays in the Diagram

Locating Fuses and Relays in the Diagram

Fuses and relays safeguard electrical circuits from damage due to overloads or short circuits. The wiring diagram pinpoints the locations of these critical components, facilitating easy troubleshooting.

Troubleshooting Common Electrical Issues Using the Diagram

Troubleshooting Common Electrical Issues Using the Diagram

The wiring diagram serves as a valuable tool for diagnosing and resolving common electrical issues, such as faulty connections, blown fuses, or malfunctioning components.

Interpreting Wiring Diagrams for Modifications or Upgrades

Interpreting Wiring Diagrams for Modifications or Upgrades

Enthusiasts often refer to wiring diagrams when modifying or upgrading their vehicles. Understanding the diagram allows for seamless integration of new components or customization.

Ensuring Proper Grounding and Wiring Connections

Ensuring Proper Grounding and Wiring Connections

Proper grounding and wiring connections are essential for the safe and efficient operation of the vehicle's electrical system. The wiring diagram guides technicians in ensuring all connections are secure and functional.

Sources:

  • (1) www.chevrolet.com/blazer/suv
  • (2) www.autoguide.com/chevy/blazer

Chevy k5 blazer wiring diagram in Professional's eye

Wiring diagrams play a pivotal role in understanding and troubleshooting the electrical systems of vehicles, offering a visual representation of the intricate network of wires and components. In the case of the Chevy K5 Blazer, a wiring diagram serves as a blueprint for technicians and enthusiasts alike, guiding them through the complexities of the vehicle's electrical setup.

Understanding the Basics of Chevy K5 Blazer Wiring Diagrams

Understanding the Basics of Chevy K5 Blazer Wiring Diagrams

At its core, a wiring diagram is a visual representation of the electrical connections within a vehicle. For the Chevy K5 Blazer, this diagram outlines the pathways of wires, connectors, and components, facilitating diagnostics and repairs.

Identifying Key Components in the Wiring Diagram

Identifying Key Components in the Wiring Diagram

Key components highlighted in the Chevy K5 Blazer wiring diagram include the battery, alternator, ignition switch, lights, and accessories. Each component is represented with specific symbols and labels, aiding in accurate interpretation and troubleshooting.

Deciphering Color Codes and Symbols

Deciphering Color Codes and Symbols

Color codes and symbols used in the wiring diagram denote different types of wires, connections, and electrical components. Understanding these codes is essential for accurate interpretation and troubleshooting of the Chevy K5 Blazer electrical system.

Tracing Circuits for Lights, Ignition, and Accessories

Tracing Circuits for Lights, Ignition, and Accessories

The wiring diagram delineates circuits for lights, ignition, accessories, and other vital systems. This comprehensive overview enables technicians to trace the flow of power and diagnose issues efficiently in the Chevy K5 Blazer.

Locating Fuses and Relays in the Diagram

Locating Fuses and Relays in the Diagram

Fuses and relays are critical components that protect electrical circuits from damage. The Chevy K5 Blazer wiring diagram pinpoints the locations of these components, facilitating quick and accurate troubleshooting.

Troubleshooting Common Electrical Issues Using the Diagram

Troubleshooting Common Electrical Issues Using the Diagram

The wiring diagram serves as a valuable tool for diagnosing and resolving common electrical issues in the Chevy K5 Blazer. Whether it's a faulty connection, a blown fuse, or a malfunctioning component, the diagram provides insights for efficient troubleshooting.

Interpreting Wiring Diagrams for Modifications or Upgrades

Interpreting Wiring Diagrams for Modifications or Upgrades

Enthusiasts often refer to wiring diagrams when modifying or upgrading their Chevy K5 Blazer. Understanding the diagram allows for seamless integration of new components or customization, ensuring optimal performance and safety.

Ensuring Proper Grounding and Wiring Connections

Ensuring Proper Grounding and Wiring Connections

Proper grounding and wiring connections are essential for the safe and efficient operation of the electrical system in the Chevy K5 Blazer. The wiring diagram guides technicians in ensuring all connections are secure and functional, minimizing the risk of electrical faults.

Sources:

  • (1) www.chevrolet.com/blazer/suv
  • (2) www.autoguide.com/chevy/blazer

Point of Views : Chevy k5 blazer wiring diagram
  • Wiring diagrams are indispensable tools for understanding the intricate electrical systems within vehicles like the Chevy K5 Blazer.
  • They offer a visual representation of the wiring connections, allowing technicians and enthusiasts to interpret and troubleshoot with precision.
  • By highlighting key components and detailing circuits, wiring diagrams provide insights into the functionality and interconnections of various electrical systems.
  • Deciphering color codes and symbols in the diagram is essential for accurate diagnosis and repair of electrical issues.
  • Moreover, wiring diagrams aid in modifications and upgrades, ensuring seamless integration of new components.
  • They also play a crucial role in ensuring proper grounding and wiring connections, enhancing the safety and efficiency of the vehicle's electrical system.
Conclusion :

As we conclude our exploration of Chevy K5 Blazer wiring diagrams, we hope you've gained a deeper understanding of the intricate electrical systems within these iconic vehicles. Through our detailed analysis of key components, color codes, and circuits, you've learned how wiring diagrams serve as invaluable tools for technicians and enthusiasts alike.

Whether you're deciphering symbols, tracing circuits, or troubleshooting common electrical issues, wiring diagrams provide a roadmap for navigating the complexities of the Chevy K5 Blazer electrical system. Remember, they're not just diagrams; they're blueprints for enhancing the performance and safety of your vehicle. So, whether you're embarking on a repair project or planning an upgrade, wiring diagrams will be your indispensable companions.

Questions and Answer for Chevy k5 blazer wiring diagram

When it comes to Chevy K5 Blazer wiring diagrams, people often have questions that delve into the intricacies of these electrical blueprints. Here are some of the most common queries:

  • 1. What do the different colors on the wiring diagram represent?
  • Answer: The colors on the wiring diagram typically indicate different types of wires or circuits. For example, red might represent power supply lines, while black could signify ground connections.
  • 2. How can I troubleshoot electrical issues using the wiring diagram?
  • Answer: By carefully tracing circuits and understanding component connections, you can pinpoint potential problem areas. The wiring diagram acts as a guide for diagnosing and resolving issues efficiently.
  • 3. Are wiring diagrams necessary for simple repairs?
  • Answer: Yes, even for seemingly minor repairs, consulting the wiring diagram can provide valuable insights. It ensures that connections are made correctly and helps prevent further complications.
  • 4. Can I use the wiring diagram for aftermarket modifications?
  • Answer: Absolutely! Wiring diagrams are essential for integrating aftermarket components seamlessly into your Chevy K5 Blazer. They ensure that new additions are properly wired and function as intended.

These are just a few of the questions that arise when delving into the world of Chevy K5 Blazer wiring diagrams. By understanding the answers to these inquiries, enthusiasts and technicians alike can navigate the complexities of automotive electrical systems with confidence and expertise.

Label :Chevy K5 Blazer, Wiring Diagrams, Electrical System, Troubleshooting, Modifications

Keyword : Chevy k5 blazer wiring diagram

0 komentar